-
Puh:+86-15996094444
-
Sähköposti:
Tiedustele nyt
+86-15996094444
Tiedustele nyt
| Malli | Poran halkaisija (mm) | Poran syvyys (mm) | Laajennettu reiän halkaisija (mm) | Tehokas kiinnityssyvyys (MM) | Sopiva substraatin paksuus (mm) | Aliprofiili ankkurin pituus (mm) | Vetolujuus (KN) |
| AZQB-M6*20 | 11 | 8 | 14 | 8 | 16 | 20 | 6.4 |
| AZQB-M6*25 | 11 | 12 | 14 | 12 | 25 | 25 | 6.4 |
| AZQB-M6*32 | 11 | 15 | 14 | 15 | 30 | 32 | 6.4 |
| AZQB-M6*35 | 11 | 18 | 14 | 20 | 35 | 35 | 6.4 |
| AZQB-M6*40 | 11 | 25 | 14 | 25 | 40 | 40 | 6.4 |
| AZQB-M6*45 | 11 | 30 | 14 | 30 | 50 | 45 | 6.4 |
| AZQB-M8*25 | 13 | 10 | 16 | 10 | 20 | 25 | 7.4 |
| AZQB-M8*32 | 13 | 15 | 16 | 15 | 30 | 32 | 7.4 |
| AZQB-M8*35 | 13 | 18 | 16 | 18 | 35 | 35 | 7.4 |
| AZQB-M8*40 | 13 | 25 | 16 | 25 | 40 | 40 | 7.4 |
Asennuksen edut alusankkureilla
1. Kaksi kertaa lopullinen kuormakapasiteetti (min.)
2. ankkuri voidaan sijoittaa mihin tahansa pinnalle
3. paneeli voidaan optimoida staattisesti
4. Alempi paneelin taivutusmomentit
5. korkeammat turvallisuustekijät
6. Ei näkyviä kiinnityselementtejä (nivelissä)
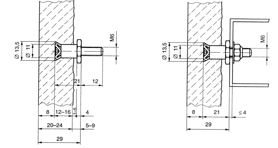
Luonnonkivilevyjen (porttisahan) tuotantomenetelmän vuoksi useiden millimetrien paksuustoleranssit ovat normaaleja. Stand-off-kiinnitys voi kuitenkin tasoittaa erilaiset paneelin paksuus.
Drop-in-ankkurin käyttö stand-off-kiinnittämiseen tarjoaa ratkaisun näiden paksuustoleranssien tasoittamiseen. Vakio jäljellä oleva seinämän paksuus (RWD) (mitat poran reiän pohjasta paneelin pintaan)
ja ankkurin vakio kokonaispituus tarjoaa tietyn etäisyyden. Eri paneelin paksuus
Erilaiset raonleveydet paneelin takana etäisyysmutterin ja paneelin takaosan välillä.
Mainitut kiinnityspaksuudet perustuvat itselukin mutterin käyttöön DIN 985: n, tavallisen pesukoneen mukaisesti DIN125: n mukaisesti ja vaadittu lankaprojektio. Molemmille komponenteille ei toimiteta ankkuri, mutta ne voidaan tilata täydentäväksi.
Jos itse lukitusmuttereita ei käytetä, vaaditaan toinen sopiva mutterilukkolaite. Eri kiinnityspaksuudet voidaan laskea jokaisessa yksittäisessä tapauksessa ankkurin pultin pituudesta.
Mainitussa paneelin paksuus perustuu asennusmenetelmään tai ankkurityyppiin. Kansalliset määräykset ovat aina ratkaisevia ja niitä on noudatettava.
Jiangsu Aozheng Metal Products Co., Ltd. kyllä Kiina Dorp alicut -ankkurissa toimittaja ja tukku- Dorp alicut -ankkurissa tehdas, Olemme teollisuuden ja kaupan yhdistävä yritys, joka on omistautunut ruostumattomasta teräksestä, alumiiniseoksesta, hiiliteräksestä ja niukkaseosteisesta teräksestä valmistettujen rakennustarvikkeiden valmistukseen. Käytämme edistyneitä automatisoituja leikkaus-, leimaus- ja hitsausprosesseja. Olemme monipuolinen ja laaja ammattimainen tuotantokanta, joka yhdistää raaka-aineiden muovaus- ja koneistustehtaita. Perustuu korkealaatuisiin ja huippuluokan markkinoille, joiden vuotuinen tuotanto on 2000 tonnia erilaisia rakennusmateriaaleja, jotka viedään pääasiassa kymmeniin maihin, kuten Yhdysvaltoihin, Saksaan, Italiaan, Isoon-Britanniaan, Etelä-Koreaan, Australiaan, Kanadaan ja Lähi-itään. Asiakkaita ovat suuret rakennusyritykset ja tunnetut rakennustiimit, ja heistä on tullut niiden rakennusmateriaalien toimittajia Lähi-idässä. Sen vuotuinen tuotanto on yli 2000 tonnia erilaisia rakennusmateriaaleja, ja se viedään pääasiassa kymmeniin maihin, kuten Yhdysvaltoihin, Saksaan, Italiaan, Isoon-Britanniaan, Etelä-Koreaan, Australiaan, Kanadaan ja Lähi-itään. Se tekee yhteistyötä myös suurten rakennusyritysten, mukaan lukien maailmanluokan rakennustiimien, kanssa, ja siitä on tullut niiden tärkeä rakennusmateriaalien toimittaja Kiinassa.
Aozheng Metalilla on yli 10 vuoden tuotantokokemus ja vahva T&K-tiimi, joka tarjoaa yhden luukun palvelua ja 24 tunnin verkkopalvelua parempi tehokkuus, nopeampi nopeus" -tavoitteen mukaisesti. Vuosien sitkeiden ponnistelujen jälkeen yrityksen tuotteilla on hyvä maine kotimaassa ja ulkomailla."

Korkean teknologian yritykset

Valmistettu Kiinassa Network -sertifiointi

Yrityslupa

Avauslupa

Jiangsu Private Science & Technology Enterprise

Raskas yhdistetty kivipentti

Integroitu kiven takapultti

Integroitu laajennusrengas ja takapultti integroidulla laajennusrenkaaseen

All-in-one-riipus

Yksinkertainen riipus, joka sopii uritetulle kiville

Erityinen alumiiniseos riipus yhdistettyihin keraamisiin laattoihin

Ruuvaa takapultti
Kolme päivää innovaatiota, yhteyttä ja visiota vuoden 2026 International Builders' Showssa Orlandossa – sopiva päätös IBS:n ajalle tässä eloisassa kaupungissa ennen sen muuttoa Las Vegasi...
Lue lisääTarkkuus alkaa tänään. Tänä kuuuuden vuoden 10. päivänä olemme ylpeitä voidessamme jatkaa korkealaatuisten alumiinipuriste- ja kiviverhousjärjestelmien tuotantoa. Luotettava laitekumppanisi vuonna...
Lue lisääVuoden 2026 kaupunkiuudistuksen maisemassa korkean suorituskyvyn rakennusvaipan integrointi on ratkaisevan tärkeää tiukkojen ympäristövaatimusten saavuttamiseksi. A Terrakotta julkisivujärjeste...
Lue lisää| Malli | Poran halkaisija (mm) | Poran syvyys (mm) | Laajennettu reiän halkaisija (mm) | Tehokas kiinnityssyvyys (MM) | Sopiva substraatin paksuus (mm) | Aliprofiili ankkurin pituus (mm) | Vetolujuus (KN) |
| AZQB-M6*20 | 11 | 8 | 14 | 8 | 16 | 20 | 6.4 |
| AZQB-M6*25 | 11 | 12 | 14 | 12 | 25 | 25 | 6.4 |
| AZQB-M6*32 | 11 | 15 | 14 | 15 | 30 | 32 | 6.4 |
| AZQB-M6*35 | 11 | 18 | 14 | 20 | 35 | 35 | 6.4 |
| AZQB-M6*40 | 11 | 25 | 14 | 25 | 40 | 40 | 6.4 |
| AZQB-M6*45 | 11 | 30 | 14 | 30 | 50 | 45 | 6.4 |
| AZQB-M8*25 | 13 | 10 | 16 | 10 | 20 | 25 | 7.4 |
| AZQB-M8*32 | 13 | 15 | 16 | 15 | 30 | 32 | 7.4 |
| AZQB-M8*35 | 13 | 18 | 16 | 18 | 35 | 35 | 7.4 |
| AZQB-M8*40 | 13 | 25 | 16 | 25 | 40 | 40 | 7.4 |
Tuotteemme viedään pääasiassa yli 30 maahan, kuten Yhdysvaltoihin, Saksa, Japani, Espanja, Italia, Yhdistynyt kuningaskunta ja jne. Asiakkaamme ovat monia rakentamiseen erikoistuneita OEM -asiakkaita , meillä on jo ollut yhteistyötä maailman huipun kanssa rakennus yhtiö ja joukkueet. Me yhtenä heidän tärkeimmistä toimittajistaan Kiinassa.
Yleensä lähetämme tavarat sinulle meri, koska lyhennys muodosta 'we tes lähellä Shanghain satamaa, ja se on erittäin kätevä ja tehokas tavaroiden lähettämiseksi muihin maahan. Tietenkin, Jos tavarasi ovat hyvin kiireellinen, Nanjing Lentokenttä- ja Shanghain lentokentät ovat myös hyvin lähellä.
Kun tarjoamme sinulle tarjouksen, vahvistamme tapahtumamenetelmän, FOB: n, CIF: n, PDF: n jne.
Massatuotetuille tavaroille sinun on maksettava 30% talletus ennen tuotantoa ja maksettava loput 70% asiakirjan kopion perusteella. Yleinen tapa on T/T: n kautta. L/c on myös hyväksyttävä.